6200 محمل كروي ذو أخدود عميق
تصميم بسيط ومتعدد الاستخدامات وقوي
الاحتكاك المنخفض
القدرة على السرعة العالية
استيعاب الأحمال الشعاعية والمحورية في كلا الاتجاهين
تتطلب القليل من الحماية
يتم استخدام الأعمدة المفردة من محامل الكرات الأخدود العميق على نطاق واسع ولها احتكاك صغير. لقد تم تحسينها من أجل انخفاض مستوى الضجيج والاهتزاز المنخفض، مما يمكنها من تحمل سرعة عدم الملاءمة. يمكنها تحمل الأحمال الشعاعية والمحورية في جميع الاتجاهات، ولا يوجد بها أي عطل، وهي أقل بكثير من العديد من أنواع المحامل المختلفة.
يمكن استخدام محامل الفجوة العميقة في أنواع مختلفة من الآلات مثل محركات الاحتراق الداخلي والمركبات السياحية والآلات الزراعية وآلات البناء وآلات التطوير. محامل الفجوة العميقة هي المحامل المتداول الأكثر استخدامًا. شكله سهل الاستخدام. يتم استخدامه عادة لتحمل الحمل الشعاعي، ولكن عندما تزداد الفجوة الشعاعية للمحامل، يكون له الأداء العام لتحديد التلامس الركني مع المحامل الكروية، والذي يمكنه تحمل الحمل المختلط الشعاعي والمحوري. عندما تكون السرعة كبيرة ومحامل الكرات الدفعية لم تعد قابلة للتطبيق، يمكن استخدامها لتحمل الأحمال المحورية النقية. بالمقارنة مع أنواع مختلفة من المحامل ذات الحجم والمواصفات المختلفة، فإن هذه المحامل لديها معاملات احتكاك صغيرة وسرعة محدودة. ولكن لم يعد يؤثر على المقاومة، ولم يعد مناسبًا للتحمل.
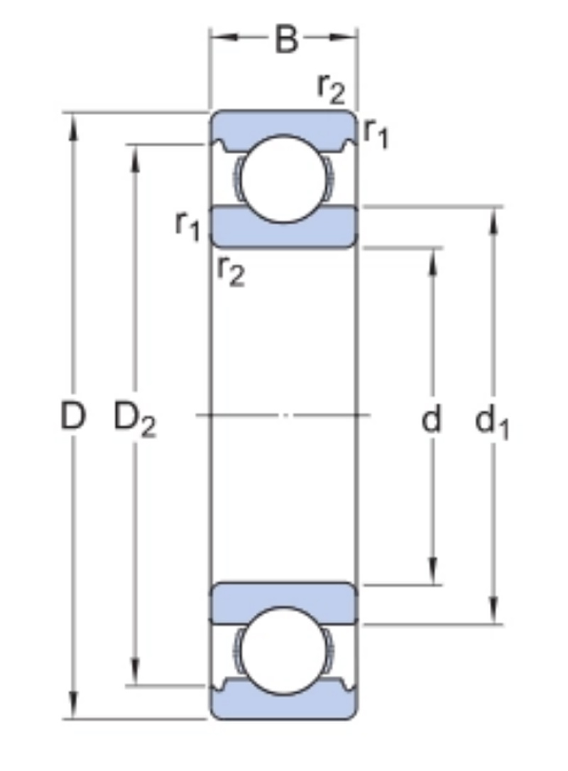
أبعاد:
د |
10 ملم |
قطر التجويف |
د |
30 ملم |
القطر الخارجي |
B |
9 مم |
عرض |
د 1 |
17 مم |
قطر الكتف |
D2 |
24.72 ملم |
قطر العطلة |
ص 1.2 |
الحد الأدنى 0.6 مم |
البعد الشطب |
أبعاد الدعامة:
من |
الحد الأدنى 14.2 ملم |
قطر دعامة رمح |
من |
الحد الأقصى 25.8 ملم |
قطر دعامة السكن |
يوم |
الحد الأقصى 0.6 مم |
نصف قطر العمود أو فيليه الإسكان |
بيانات الحساب:
الحمل الديناميكي الأساسي تقييم |
ج |
5.4 كيلو نيوتن |
تصنيف الحمل الثابت الأساسي |
ج 0 |
2.36kN |
حد تحميل التعب |
استطاع _ |
0.1 كيلو نيوتن |
السرعة المرجعية |
5600 دورة/دقيقة |
|
الحد من السرعة |
36000 دورة / دقيقة |
|
الحد الأدنى لعامل الحمولة |
كر |
0.025 |
عامل الحساب |
و 0 |
13 |
الكتلة : 0.031 كجم




